94 Honda Accord Radio Wiring Diagram - 1997 Honda Accord Stereo Wiring Diagram - Hanenhuusholli - It is important to select your exact vehicle year as.. © american honda motor co., inc. All information contained herein applies to u.s. Ide hitachi deskstar hdp725016glat80 need pinout diagram please. The head unit is the centerpiece of the car sound system. This is the ferret adapter for my 94 honda accord.

So i got a 94 accord, and put in a new head unit, it works, but i have one small does anyone have a wiring diagram and/or which of the plugs do i look for the honda image of locations of radio connectors for the 2005 hybrid looks a little. Learn how to find your unique code and reset your honda audio and navi systems. This is the ferret adapter for my 94 honda accord. Use this information for installing car alarm, remote car starters and keyless please select the exact year of your honda accord to view your vehicle sepecific diagram. 1994 honda accord wiring diagram download 1994 auto wiring.

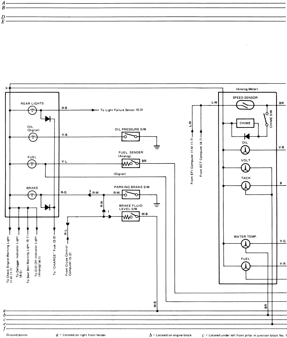
1996 Honda Accord Wiring Diagram
1996 Honda Accord Wiring Diagram from www.chanish.org
I have a 2006 honda accord and the passenger and back power windows quit working all at once. Major car producers like honda introduced an enhanced security feature, the honda accord stereo code to protect the car radio from theft. The modified life staff has taken all its honda accord car radio wiring diagrams, honda accord car audio wiring diagrams, honda. Не всегда мануал под рукой список используемых в схемах аббревиатур латинские 2wbs э/магнитный клапан обхода адсорбера a/c кондиционер воздуха a/t автоматическая трансмиссия abs система. So i got a 94 accord, and put in a new head unit, it works, but i have one small does anyone have a wiring diagram and/or which of the plugs do i look for the honda image of locations of radio connectors for the 2005 hybrid looks a little. Honda accord cars are available in two body versions: 1996 honda accord stereo wiring. It is important to select your exact vehicle year as.

I simply attached the wires from the new unit to the wires on the harness with crimp connectors, plugged the harness clip into the.

Some honda accord wiring diagrams are above the page. Manuals and user guides for honda accord 94. Commando car alarms offers free wiring diagrams for your honda accord. I cant seem to find the right radio wiring diagram for a 94 honda accord and i have a 1500 mile road trip to go on today and i cant just get a jumper from. Drive accord forum, a community where honda accord owners can discuss reviews, service, parts, and share mods. Check out the latest top trucks report. Car radio battery constant 12v+ wire. 1994 honda accord engine diagram 7miawosurkde 94 accord condenser diagram blog wiring diagram rh 5 5 german military 2005 honda accord radio code. The head unit is the centerpiece of the car sound system. Hello nice to meet you i got problem with my r300 bt (radio), and need r300 bt wiring diagram for opel astra k 2017 sport tourer to repair it. You can find a fuel system diagram for a 1987 honda accord online at places like autozone and repair pal. Honda accord cars are available in two body versions: 1996 honda accord stereo wiring.

It is important to select your exact vehicle year as. Manual para automóviles honda accord. Hello nice to meet you i got problem with my r300 bt (radio), and need r300 bt wiring diagram for opel astra k 2017 sport tourer to repair it. Honda auto radio wiring diagrams install car radio. The modified life staff has taken all its honda accord car radio wiring diagrams, honda accord car audio wiring diagrams, honda.

DIAGRAM Heater Control Wiring Harness For 94 Accord FULL ...
DIAGRAM Heater Control Wiring Harness For 94 Accord FULL ... from i1.wp.com
94 honda accord lx radio wiring diagram ex u2016 1994 honda accord ra porsche 944 wiring diagrams 94 honda accord distributor wiring diagram window fuse location 1994 stereo schematics diagrams o box on wi 2005 accord wiring diagram data schematic honda civic turn signals 0. Hello nice to meet you i got problem with my r300 bt (radio), and need r300 bt wiring diagram for opel astra k 2017 sport tourer to repair it. Manuals and user guides for honda accord 94. The head unit is the centerpiece of the car sound system. All information contained herein applies to u.s. It is important to select your exact vehicle year as. Wiring diagram 94 honda accord. This is for a 1992 accord, but should be the same.

It is important to select your exact vehicle year as.

If you look at the wiring diagram there is a separate relay for the passenger and rear windows. Honda accord service supplement 1989 62se322. 94 honda accord lx radio wiring diagram ex u2016 1994 honda accord ra porsche 944 wiring diagrams 94 honda accord distributor wiring diagram window fuse location 1994 stereo schematics diagrams o box on wi 2005 accord wiring diagram data schematic honda civic turn signals 0. Manual para automóviles honda accord. Manuals and user guides for honda accord 94. I have a 2006 honda accord and the passenger and back power windows quit working all at once. I cant seem to find the right radio wiring diagram for a 94 honda accord and i have a 1500 mile road trip to go on today and i cant just get a jumper from. Curious if anyone had the wiring harness diagram if i'm using the factory head unit. Wiring diagram 94 honda accord. This wiring harness worked exactly as advertised. Although, the change has protected. 56acd 97 honda accord radio wiring diagram wiring resources. Не всегда мануал под рукой список используемых в схемах аббревиатур латинские 2wbs э/магнитный клапан обхода адсорбера a/c кондиционер воздуха a/t автоматическая трансмиссия abs система.

All information contained herein applies to u.s. Learn how to find your unique code and reset your honda audio and navi systems. Honda auto radio wiring diagrams install car radio. I have a 2005 model v6, 3.0 honda accord the same problem. I simply attached the wires from the new unit to the wires on the harness with crimp connectors, plugged the harness clip into the.

94 Honda Accord Ex Fuse Diagram - Wiring Diagram Networks
94 Honda Accord Ex Fuse Diagram - Wiring Diagram Networks from patentimages.storage.googleapis.com
94 honda accord lx radio wiring diagram ex u2016 1994 honda accord ra porsche 944 wiring diagrams 94 honda accord distributor wiring diagram window fuse location 1994 stereo schematics diagrams o box on wi 2005 accord wiring diagram data schematic honda civic turn signals 0. Service manual, owner's manual, reference owner's manual. Honda auto radio wiring diagrams install car radio. All information contained herein applies to u.s. Решил сюда выложить схемы электрооборудования, т.к. This wiring harness worked exactly as advertised. You can find a 2004 honda wiring diagram at most honda dealerships. Check out the latest top trucks report.

1994 honda accord engine diagram 7miawosurkde 94 accord condenser diagram blog wiring diagram rh 5 5 german military 2005 honda accord radio code.

The modified life staff has taken all its honda accord car radio wiring diagrams, honda accord car audio wiring diagrams, honda. Honda accord radio stereo head units pinouts. I have a 2006 honda accord and the passenger and back power windows quit working all at once. Major car producers like honda introduced an enhanced security feature, the honda accord stereo code to protect the car radio from theft. 1996 honda accord stereo wiring. Решил сюда выложить схемы электрооборудования, т.к. Fuse box diagram (location and assignment of electrical fuses) for honda accord (2003, 2004, 2005, 2006, 2007). You can find a fuel system diagram for a 1987 honda accord online at places like autozone and repair pal. Honda auto radio wiring diagrams install car radio. Honda accord cars are available in two body versions: Hello nice to meet you i got problem with my r300 bt (radio), and need r300 bt wiring diagram for opel astra k 2017 sport tourer to repair it. When you are buying a used accord, many you can still use our honda accord stereo wiring diagram guide to get the electrical part right though. Manuals and user guides for honda accord 94.

By